Ultrahochgeschwindigkeitsprüfstand
Ultrahochgeschwindigkeits-Prüfstand (Prüfstand 8)
Kenndaten des Prüfstandes
P = 38 kW, T = 30 Nm, n = 12.100 min-1 / nmax = 140.000 min-1
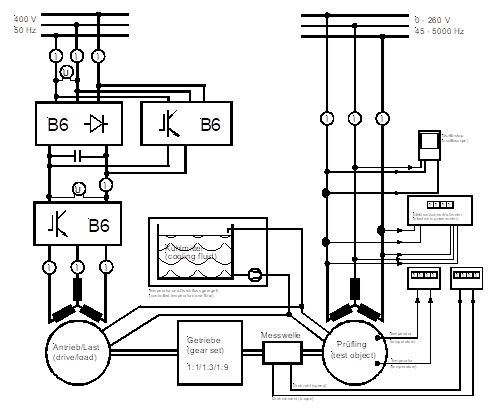
Prinzipieller Aufbau des Prüfstandes
Die Belastungeinrichtung besteht aus einem stromrichtergespeisten Asynchronmotor, der speziell für hohe Drehzahlen ausgelegt ist, sowie einem Getriebe, um die extrem hohen Drehzahlen der Prüflinge zu ermöglichen. Zusätzlich steht noch ein geregeltes Kühlsystem zur Verfügung, um vorgegebene Betriebspunkt-Bedingungen während der Messungen einhalten zu können.
Der prinzipielle Aufbau ist im folgenden Blockschaltbild dargestellt:
Beschreibung der einzelnen Komponenten des Prüfstandes
a) Belastung
Die Belastungsmaschine dieses Prüfstandes ist eine speziell ausgelegte hochtourige Asynchronmaschine, die über einen Vierquadranten-Stromrichter betrieben wird. Dieser Stromrichter hat eine Schaltfrequenz von 16 kHz und eine maximale Scheinleistung von 52 kVA. Die Maximaldrehzahl der Asynchronmaschine beträgt 25.000 1/min, der Feldschwächbereich liegt bei 2:1 und das maximale Drehmoment beträgt 30 Nm. Die Asynchronmaschine wird mit einem Frequenz-Umrichter gespeist. Damit kann der Motor über feldorientierte Regelung oder mit Spannungs-Frequenz-Steuerung betrieben werden. Bei geregeltem Betrieb (Drehmomentregelung oder Drehzahlregelung kann ausgewählt werden) ist die maximale Drehzahl auf 16.000 1/min begrenzt. Im Bereich zwischen 16.000 1/min und 25.000 1/min ist nur gesteuerter Betrieb möglich. Für die Sollwertvorgabe können drei Möglichkeiten ausgewählt werden: Setzen der System-Parameter via "Combivis", analoge Eingabe (z.B. Potentiometer) sowie digitale Eingabe (z.B. Tastatur oder Bus). Das in unserem Institut verwendete Bus-System ist der CAN-Bus.
b) Getriebe
Das Getriebe, welches speziell für diesen Prüfstand ausgelegt und gebaut worden ist, verfügt über drei Schaltstufen: 1:1, 1:3 und 1:9. Die maximale Ausgangsdrehzahl des Getriebes ist auf 180.000 1/min begrenzt, was durch das Hochgeschwindigkeits-Lager bedingt ist. Dieses benötigt zusätzlich auch noch eine eigene Ölversorgung.
c) Drehmoment-Messwelle
Die Drehmomentmessung bei höheren Drehzahlen ist eine schwierige Aufgabe. Bei diesem Prüfstand wird eine spezielle Messeinrichtung für Drehmoment und Drehzahl verwendet, die für eine maximale Drehzahl von 140.000 1/min ausgelegt ist. Um diese Drehzahl zu erreichen, werden ölnebelgeschmierte Lager verwendet. Das größte Problem bei derartigen Drehzahlen ist jedoch die Vermeidung von Schwingungen, durch die in kürzester Zeit die Messeinrichtungen und das Getriebe zerstört oder schwer beschädigt werden können. Auch hier ist eine weitere separate Ölversorgung erforderlich. Für das Auslesen von Messdaten wird das Software-Paket LabView verwendet.
Die Drehzahl-Drehmoment-Kennlinien für die unterschiedlichen Bereiche dieses Prüfstandes (Belastung, Getriebe, Drehmoment-Messwelle) sind in der folgenden Abbildung dargestellt:
d) Sicherheitseinrichtungen
Beim Testen von elektrischen Antrieben in diesem Ultrahoch-Drehzahlbereich wird eine hohe Energie in den rotierenden Massen gespeichert. Auch für den Fall einer Fehlfunktion muss der Betrieb dieses Prüfstandes für die Betreiber zu allen Zeiten sicher sein. Für diesen Zweck wurde ein Containment entwickelt, das alle rotierenden Teile einschließt. Dieses besteht aus harten und weichen Materialien in Form einer Sandwich-Bauweise. Die weichen Anteile dienen zur Energie-Absorption, die harten Materialien stellen sicher, dass keine Teile aus dem Containment herausgelangen können.
e) Regelbares Kühlungssystem
Die thermischen Vorgänge in elektrischen Antrieben beeinflussen deren Betriebsverhalten in entscheidender Weise. Deshalb ist die Kenntnis über den thermischen Zustand des Prüflings eine wichtige Grundlage für eine detaillierte Analyse (z.B. Wirkungsgradmessungen). Dieser Prüfstand ist daher mit einem regelbaren Flüssigkeits-Kühlungssystem mit folgenden Daten ausgestattet: Maximale Kühlungsleistung Pmax-kühl = 13 kW, maximaler Durchfluss Φmax = 60 Liter/min, regelbarer Temperaturbereich der Kühlungsflüssigkeit θ = -10 ... +90 °C.
f) Datenaufnahme und Datenverarbeitung
Für den Betrieb dieses komplexen Prüfstandes ist ein sehr ausgefeiltes Datenaufnahme und Datenverarbeitungssystem erforderlich. Es wird das Software-Paket LabView verwendet. Messeinrichtungen wie das Yokogawa Präzisions-Leistungsmessgerät oder die Drehmoment-Messwelle (siehe Abschnitt c)) werden in den Aufbau integriert. Die mittles LabView realisierte Bedienoberfläche ist so einfach wie möglich gehalten, um die Konzentration des Bedienpersonals des Prüfstandes nicht zu schmälern: so werden z.B. nur die Werte von Drehzahl, Drehmoment und Leistung angezeigt und zusätzlich noch Temperaturwerte an einigen kritischen Punkten. Alle gemessenen Daten können direkt in Excel-Files gespeichert werden.